
Ac Power Plugs And Sockets
ac power plugs and sockets Panel Mount AC Inlet Power Socket With Fuse AC power plugs and sockets, commonly known as electrical outlets or wall sockets, are crucial components of our modern electrical infrastructure, providing the means by which we connect electrical devices to the mains...
Description
ac power plugs and sockets
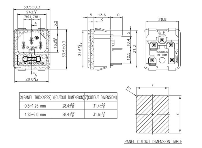
Panel Mount AC Inlet Power Socket With Fuse
AC power plugs and sockets, commonly known as electrical outlets or wall sockets, are crucial components of our modern electrical infrastructure, providing the means by which we connect electrical devices to the mains electricity supply.
The AC power plugs and sockets are widely used in various applications, ranging from domestic use to industrial and commercial environments. These devices consist of two main components: the plug and the socket, each of which has its specific design and functionality.
The plug component is inserted into the socket and consists of three pins or prongs with different shapes or configurations, depending on the country or region's electrical system. The three pins serve as current-carrying conductors, providing a safe and reliable connection to the mains electricity supply.
In contrast, the socket component serves as the interface between the plug and the electrical device, consisting of a receptacle with corresponding pins or holes to receive the plug prongs. The socket also contains various safety features, including grounding and insulation, to prevent electrical shock and ensure the safe operation of electrical devices.


Hot Tags: ac power plugs and sockets, China, suppliers, manufacturers, factory, customized, wholesale, for sale, made in China, Inlet Plug Connector AC Power Socket, 2 pin ac power socket, ac electrical outlet, ac power socket with fuse and switch, c14 inlet socket, power plug socket for ac




